Logo Picture
Professional Power Adapter Manufacturer
intelligent power solutions
HOME
ABOUT
About Us
Culture & Value
Profile
Development
Brand Story
Testimonials
Factories
PRODUCTS
Switching Power Adaptor
Linear Power Adaptor
Charging Adaptor
Cable Assembly
Transformer
Custom Components
SOLUTIONS
60601 Power Solutions
62368 Power Solutions
61558 Power Solutions
60335 Charging Solutions
1310 Power Solutions
61347 Power Solutions
Battery Energy Solutions
Sourcing Platform Solutions
Customization Solutions
Battery Protection Solutions
Product Design Solutions
Shipping Solutions
HONORS
Company Honors
Product Certificates
NEWS & TECH
NEWS & TECH
Exhibition Info
Export Schedule
DOWNLOADS
FAQs
Policy
Privacy
Distributors
Downloads(Specs)
Downloads(Catalogs)
CONTACT
Contact Now
Become a Vendor
1
2
3
4
5
6
7
Switching Power Adaptor
Linear Power Adaptor
Charging Adaptor
Cable Assembly
Transformer
Custom Components
eg: 12V 1A EU adapter
KRECO Group - Power Solutions Business Division (www.iPSKRE.com)
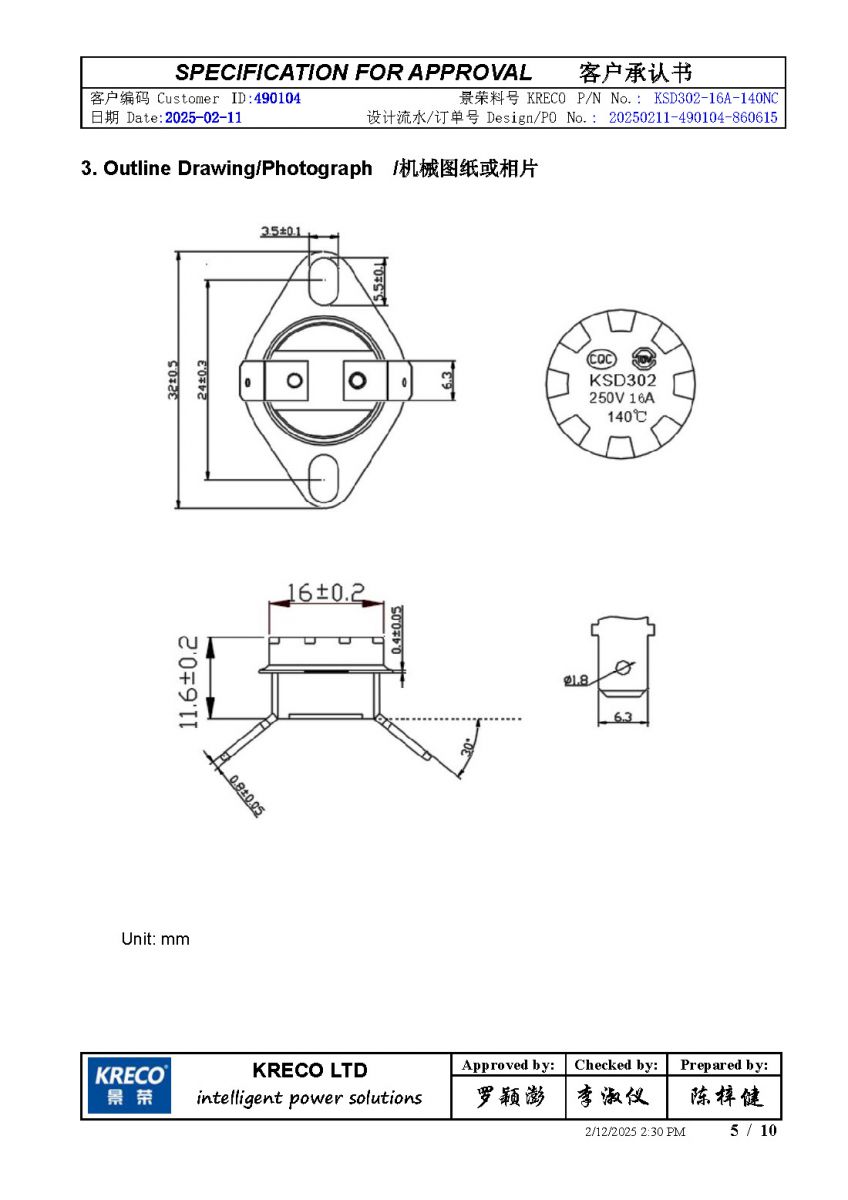
KSD302 Bimetallic Thermostat ▼
KRECO P/N:KSD302-16A-140NC
SPEC DOWNLOAD...
More Catalogs...
Request a Quote: sales@kreco.com.cn
go to iPSKRE.com
Details: